Printable Schematic Mtd Model 663 Mower
Printable Schematic Mtd Model 663 Mower – There are a couple of ways to find the part or diagram you need: Model #, part # or item # how do i find my model number? 556 views • dec 18, 2018 • faq. For electrical diagrams for specific engines and independent brands, see below.
Yardman Mtd Wiring Diagram Wiring Diagram Schemas
Printable Schematic Mtd Model 663 Mower
* attachments may also begin with the letters oem (original. View and download mtd 503 operator's manual online. We are an authorized mtd dealer carrying a large selection of mtd illustrated parts lists.
Bolens Transmatic Front Engine Lawn Tractor Owner's Guide.
Yes, printed mtd operator's manuals, illustrated parts lists and mtd engine manuals are available for purchase. Click a diagram to see the parts shown on that diagram. Lawn mower mtd 300 series owner's manual.
No Refunds Will Be Made For Shipping And Handling Charges.
Electrical wiring diagrams may be found in the operator’s manual. Bolens transmatic front engine lawn tractor owner’s guide (20 pages) snow blower mtd 300 series operator’s manual. Mtd front tine tiller operator’s manual (20 pages) tiller mtd series 330 operator’s manual.
Fix Your 13Am663F352 Transmatic Lawn Tractor (2002) Today!
503 lawn mower pdf manual download. 55959 views • sep 22, 2017 • faq. 663 lawn mower pdf manual download.
Knowing Your Outdoor Power Equipment's Model Number And Serial Number Will Ensure That You Find The Correct Operator's Manual For Your Equipment
The first 2 characters of the model number identify the product category (see table below). Find the right part for your machine. If you do not see the mtd lawn mower parts you need, please complete the lawn mower parts request form and we will be happy to assist you.
A Mtd Yard Machine Wiring Diagram Provides The Most Comprehensive Information Available To Identify And Repair Issues With Your Mower Or Other Equipment.
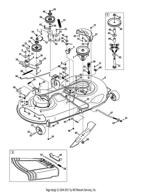
If ordering parts from a manual downloaded at this site, the customer is responsible for selecting the correct manual and parts. Please use the following links to contact the engine manufacturers via. Here are the diagrams and repair parts for mtd 663 lawn tractor, as well as links to manuals and error code tables, if available.
The Customer Is Responsible For Return Shipping Costs For Parts Returned For Credit.
680, 662, 688, 683, 660, 665, 682, 668, 685. View and download mtd 300 series owner's manual online. In the search box below, enter all or part of the part number or the part’s name.
300 Series Lawn Mower Pdf Manual Download.
Our current factory model and serial numbers are each 11 characters in length. A character could be a number, dash, or a letter. View and download mtd 663 operator's manual online.
Search For Parts Using Your Model Number, Or The Part Number You Are Replacing.

Yardman Riding Mower Wiring Diagram

Mtd Engine Diagram Wiring Diagram

Mtd Model 13am672g088 Wiring Diagram

Wiring Diagram For Ride As Regards Mower mv26632t

Riding Mower Wiring Diagram Wiring Diagram

Craftsman CMXGMAM1125502 (12AVB2R3793) Craftsman M230 WalkBehind

MTD 186407729 MTD WalkBehind Mower, Electric (1996) (Home Depot

Craftsman Model 917 Wiring Diagram Wiring Diagram

Mtd White Model 13at696h190 Wiring Diagram

MTD 663 OPERATOR'S MANUAL Pdf Download ManualsLib

Wiring Diagram for Craftsman Riding Lawn Mower Free Wiring Diagram

Yardman Mtd Wiring Diagram Wiring Diagram Schemas

50 Craftsman Riding Lawn Mower Parts Diagram Vj7e di 2020 Diagram, Deck

riding lawn mower wiring diagram

Yardman Mtd Wiring Diagram Wiring Diagram Schemas
0